| штат: | |
|---|---|
| Количество: | |
Q11F
J-VALVES
Материал из нержавеющей стали: Корпус клапана изготовлен из нержавеющей стали 316, что обеспечивает высокую прочность и хорошую коррозионную стойкость.
Конструкция с плавающим шаром: шар может свободно плавать под давлением среды, плотно прилегая к седлу клапана, обеспечивая превосходный уплотняющий эффект.
Резьбовое соединение: используется резьбовое соединение NPT, соответствующее стандартам ANSI B1.20.1, что обеспечивает простоту установки и герметичность.
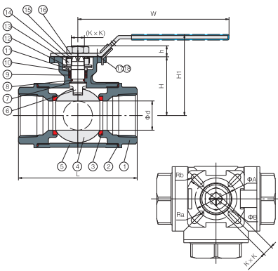
Конфигурация порта L/T: предлагает L-образные и Т-образные конфигурации портов, подходящие для различных требований к управлению потоком.
Пожаробезопасная конструкция: соответствует стандартам API 607, обеспечивая герметичность даже в условиях пожара и предотвращая утечку среды.
Антистатическое устройство: встроенное антистатическое устройство эффективно предотвращает накопление статического электричества, снижая риск возгорания и взрыва.
Предотвращение выброса штока: шток имеет конструкцию, предотвращающую выбросы, обеспечивающую эксплуатационную безопасность.
Компактный дизайн: небольшой размер и легкий вес, что облегчает установку и интеграцию в существующие системы.
Диапазон размеров: от 1/4″ до 4″ (от DN6 до DN100)
Номинальное давление: 1000WOG
Диапазон температур: от -20 ℃ до + 180 ℃.
Материалы:
Корпус клапана: нержавеющая сталь 316
Шар: нержавеющая сталь 316
Стержень: нержавеющая сталь 316
Уплотнительный материал: ПТФЭ, РПТФЭ.
Тип соединения: Резьбовое соединение NPT
Режим работы: ручной (маховик), пневматический.
Стандарты проектирования: API 608, ASME B16.34.
Стандарты тестирования: API 598.
Сквозные размеры: Соответствует стандартам ASME B16.10.
Нефтяная и газовая промышленность: используется в системах разведки, сбора, транспортировки и обработки нефтяных и газовых месторождений для обеспечения надежной изоляции и контроля сред.
Химическая промышленность: Подходит для систем транспортировки и реакции различных химических сред, предотвращает утечку среды и обеспечивает безопасность производства.
Фармацевтическая промышленность: применяется в трубопроводных системах при фармацевтическом производстве для обеспечения изоляции и чистоты среды в процессе производства лекарств.
Пищевая промышленность и производство напитков: Соответствует требованиям пищевой промышленности, используется в трубопроводных системах для производства продуктов питания и напитков для обеспечения гигиены и безопасности.
HVAC: используется в системах охлаждения, горячего водоснабжения и т. д. для обеспечения эффективной работы системы.
Общее промышленное применение: Подходит для контроля и изоляции таких сред, как вода, нефть и газ.
Высокая надежность: материал из нержавеющей стали и конструкция плавающего шара обеспечивают стабильную работу клапана в средах с высоким давлением и высокой температурой, сокращая частоту технического обслуживания и время простоя.
Точный контроль: L-образные и Т-образные конфигурации портов обеспечивают гибкое управление потоком, подходящее для различных промышленных применений.
Высокая безопасность: пожаробезопасная и антистатическая конструкция, а также надежная герметизация эффективно снижают риски утечек и защищают безопасность персонала и оборудования.
Простота установки и обслуживания: Резьбовое соединение упрощает процесс установки и облегчает обслуживание и проверку.
Широкая применимость: множество вариантов материалов и широкий диапазон номинальных значений давления и температуры позволяют адаптировать его к различным сложным условиям работы и характеристикам среды.
Список материалов шарового крана с резьбой 3PC :
Материал из нержавеющей стали: Корпус клапана изготовлен из нержавеющей стали 316, что обеспечивает высокую прочность и хорошую коррозионную стойкость.
Конструкция с плавающим шаром: шар может свободно плавать под давлением среды, плотно прилегая к седлу клапана, обеспечивая превосходный уплотняющий эффект.
Резьбовое соединение: используется резьбовое соединение NPT, соответствующее стандартам ANSI B1.20.1, что обеспечивает простоту установки и герметичность.
Конфигурация порта L/T: предлагает L-образные и Т-образные конфигурации портов, подходящие для различных требований к управлению потоком.
Пожаробезопасная конструкция: соответствует стандартам API 607, обеспечивая герметичность даже в условиях пожара и предотвращая утечку среды.
Антистатическое устройство: встроенное антистатическое устройство эффективно предотвращает накопление статического электричества, снижая риск возгорания и взрыва.
Предотвращение выброса штока: шток имеет конструкцию, предотвращающую выбросы, обеспечивающую эксплуатационную безопасность.
Компактный дизайн: небольшой размер и легкий вес, что облегчает установку и интеграцию в существующие системы.
Диапазон размеров: от 1/4″ до 4″ (от DN6 до DN100)
Номинальное давление: 1000WOG
Диапазон температур: от -20 ℃ до + 180 ℃.
Материалы:
Корпус клапана: нержавеющая сталь 316
Шар: нержавеющая сталь 316
Стержень: нержавеющая сталь 316
Уплотнительный материал: ПТФЭ, РПТФЭ.
Тип соединения: Резьбовое соединение NPT
Режим работы: ручной (маховик), пневматический.
Стандарты проектирования: API 608, ASME B16.34.
Стандарты тестирования: API 598.
Сквозные размеры: Соответствует стандартам ASME B16.10.
Нефтяная и газовая промышленность: используется в системах разведки, сбора, транспортировки и обработки нефтяных и газовых месторождений для обеспечения надежной изоляции и контроля сред.
Химическая промышленность: Подходит для систем транспортировки и реакции различных химических сред, предотвращает утечку среды и обеспечивает безопасность производства.
Фармацевтическая промышленность: применяется в трубопроводных системах при фармацевтическом производстве для обеспечения изоляции и чистоты среды в процессе производства лекарств.
Пищевая промышленность и производство напитков: Соответствует требованиям пищевой промышленности, используется в трубопроводных системах для производства продуктов питания и напитков для обеспечения гигиены и безопасности.
HVAC: используется в системах охлаждения, горячего водоснабжения и т. д. для обеспечения эффективной работы системы.
Общее промышленное применение: Подходит для контроля и изоляции таких сред, как вода, нефть и газ.
Высокая надежность: материал из нержавеющей стали и конструкция плавающего шара обеспечивают стабильную работу клапана в средах с высоким давлением и высокой температурой, сокращая частоту технического обслуживания и время простоя.
Точный контроль: L-образные и Т-образные конфигурации портов обеспечивают гибкое управление потоком, подходящее для различных промышленных применений.
Высокая безопасность: пожаробезопасная и антистатическая конструкция, а также надежная герметизация эффективно снижают риски утечек и защищают безопасность персонала и оборудования.
Простота установки и обслуживания: Резьбовое соединение упрощает процесс установки и облегчает обслуживание и проверку.
Широкая применимость: множество вариантов материалов и широкий диапазон номинальных значений давления и температуры позволяют адаптировать его к различным сложным условиям работы и характеристикам среды.
Список материалов шарового крана с резьбой 3PC :
