| штат: | |
|---|---|
| Количество: | |
Q11F
J-VALVES
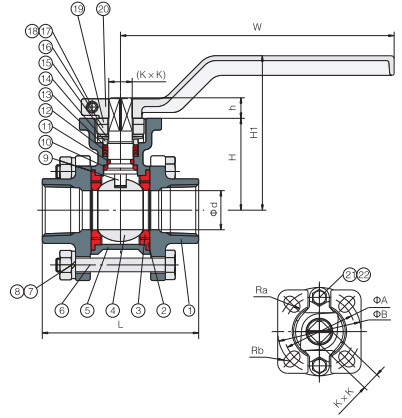
Плавающий шаровой кран из нержавеющей стали 3PC с площадкой для прямого монтажа ISO5211
Материал из нержавеющей стали: Корпус клапана изготовлен из нержавеющей стали ASTM A351 CF8/CF8M, обеспечивающей высокую прочность и хорошую коррозионную стойкость.
Трехкомпонентная конструкция: корпус клапана разделен на три части, что облегчает техническое обслуживание и замену компонентов, а также сокращает время простоя.
Конструкция с плавающим шаром: шар может свободно плавать под давлением среды, плотно прилегая к седлу клапана, обеспечивая превосходный уплотняющий эффект.
Полнопроходная конструкция: оптимизирует путь потока жидкости, снижает потери давления и повышает эффективность управления потоком.
Подставка для прямого монтажа ISO 5211: Оснащенная подставкой для прямого монтажа ISO 5211, ее удобно напрямую подключать к ручным, пневматическим или электрическим приводам для реализации автоматического управления.
Пожаробезопасная конструкция: соответствует стандартам API 607, гарантируя, что клапан сможет сохранять герметичность даже в случае пожара и предотвращать утечку среды.
Антистатическое устройство: встроенное антистатическое устройство эффективно предотвращает накопление статического электричества, снижая риск возгорания и взрыва.
Предотвращение выброса штока: шток имеет конструкцию, предотвращающую выбросы, для обеспечения эксплуатационной безопасности.
Компактный дизайн: небольшой размер и легкий вес, его легко установить и интегрировать в существующие системы.
Диапазон размеров: от 1/4″ до 3″ (от DN15 до DN80)
Номинальное давление: 1000WOG
Диапазон температур: от -20 ℃ до + 180 ℃.
Материалы:
Корпус клапана: ASTM A351 304
Мяч: A182 304
Вынос: A182 304
Уплотнительный материал: ПТФЭ, РПТФЭ.
Тип соединения: фланцевое соединение (RF), соединение под сварку встык (BW)
Режим работы: ручной (маховик), пневматический, электрический
Стандарты проектирования: API 608, ASME B16.34.
Стандарты тестирования: API 598.
Сквозные размеры: Соответствует стандартам ASME B16.10.
Нефтяная и газовая промышленность: используется в системах разведки, сбора, транспортировки и переработки нефти и газа для обеспечения надежной изоляции и контроля сред.
Химическая промышленность: Подходит для систем транспортировки и реакции различных химических сред, предотвращает утечку среды и обеспечивает безопасность производства.
Фармацевтическая промышленность: используется в трубопроводных системах фармацевтического производства для обеспечения изоляции и чистоты среды в процессе производства лекарств.
Пищевая промышленность и производство напитков: Соответствует требованиям пищевой промышленности и используется в трубопроводных системах для производства продуктов питания и напитков для обеспечения гигиены и безопасности.
HVAC: используется в системах охлаждения, горячего водоснабжения и т. д. для обеспечения эффективной работы системы.
Общее промышленное применение: Подходит для контроля и изоляции таких сред, как вода, нефть и газ.
Высокая надежность: материал из нержавеющей стали и конструкция плавающего шара обеспечивают стабильную работу клапана в средах с высоким давлением и высокой температурой, сокращая количество технического обслуживания и время простоев.
Высокая безопасность: огнестойкая, антистатическая конструкция и надежная герметизация эффективно снижают риск утечек и обеспечивают безопасность персонала и оборудования.
Простота установки и обслуживания: фланцевое соединение упрощает процесс установки и облегчает техническое обслуживание и капитальный ремонт.
Широкая применимость: различные варианты материалов и широкий диапазон диапазонов давления и температуры позволяют адаптировать его к различным сложным условиям работы и характеристикам среды.
Шаровой клапан 3PC ISO5211. Список материалов подкладки для прямого монтажа:
Плавающий шаровой кран из нержавеющей стали 3PC с площадкой для прямого монтажа ISO5211
Материал из нержавеющей стали: Корпус клапана изготовлен из нержавеющей стали ASTM A351 CF8/CF8M, обеспечивающей высокую прочность и хорошую коррозионную стойкость.
Трехкомпонентная конструкция: корпус клапана разделен на три части, что облегчает техническое обслуживание и замену компонентов, а также сокращает время простоя.
Конструкция с плавающим шаром: шар может свободно плавать под давлением среды, плотно прилегая к седлу клапана, обеспечивая превосходный уплотняющий эффект.
Полнопроходная конструкция: оптимизирует путь потока жидкости, снижает потери давления и повышает эффективность управления потоком.
Подставка для прямого монтажа ISO 5211: Оснащенная подставкой для прямого монтажа ISO 5211, ее удобно напрямую подключать к ручным, пневматическим или электрическим приводам для реализации автоматического управления.
Пожаробезопасная конструкция: соответствует стандартам API 607, гарантируя, что клапан сможет сохранять герметичность даже в случае пожара и предотвращать утечку среды.
Антистатическое устройство: встроенное антистатическое устройство эффективно предотвращает накопление статического электричества, снижая риск возгорания и взрыва.
Предотвращение выброса штока: шток имеет конструкцию, предотвращающую выбросы, для обеспечения эксплуатационной безопасности.
Компактный дизайн: небольшой размер и легкий вес, его легко установить и интегрировать в существующие системы.
Диапазон размеров: от 1/4″ до 3″ (от DN15 до DN80)
Номинальное давление: 1000WOG
Диапазон температур: от -20 ℃ до + 180 ℃.
Материалы:
Корпус клапана: ASTM A351 304
Мяч: A182 304
Вынос: A182 304
Уплотнительный материал: ПТФЭ, РПТФЭ.
Тип соединения: фланцевое соединение (RF), соединение под сварку встык (BW)
Режим работы: ручной (маховик), пневматический, электрический
Стандарты проектирования: API 608, ASME B16.34.
Стандарты тестирования: API 598.
Сквозные размеры: Соответствует стандартам ASME B16.10.
Нефтяная и газовая промышленность: используется в системах разведки, сбора, транспортировки и переработки нефти и газа для обеспечения надежной изоляции и контроля сред.
Химическая промышленность: Подходит для систем транспортировки и реакции различных химических сред, предотвращает утечку среды и обеспечивает безопасность производства.
Фармацевтическая промышленность: используется в трубопроводных системах фармацевтического производства для обеспечения изоляции и чистоты среды в процессе производства лекарств.
Пищевая промышленность и производство напитков: Соответствует требованиям пищевой промышленности и используется в трубопроводных системах для производства продуктов питания и напитков для обеспечения гигиены и безопасности.
HVAC: используется в системах охлаждения, горячего водоснабжения и т. д. для обеспечения эффективной работы системы.
Общее промышленное применение: Подходит для контроля и изоляции таких сред, как вода, нефть и газ.
Высокая надежность: материал из нержавеющей стали и конструкция плавающего шара обеспечивают стабильную работу клапана в средах с высоким давлением и высокой температурой, сокращая количество технического обслуживания и время простоев.
Высокая безопасность: огнестойкая, антистатическая конструкция и надежная герметизация эффективно снижают риск утечек и обеспечивают безопасность персонала и оборудования.
Простота установки и обслуживания: фланцевое соединение упрощает процесс установки и облегчает техническое обслуживание и капитальный ремонт.
Широкая применимость: различные варианты материалов и широкий диапазон диапазонов давления и температуры позволяют адаптировать его к различным сложным условиям работы и характеристикам среды.
Шаровой клапан 3PC ISO5211. Список материалов подкладки для прямого монтажа:
