| штат: | |
|---|---|
| Количество: | |
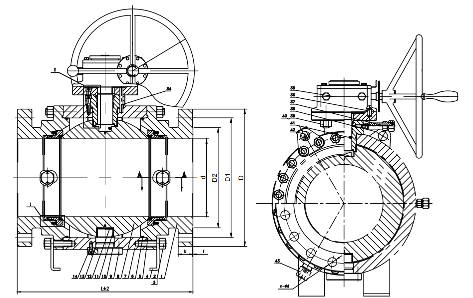
Трехкомпонентная конструкция: корпус клапана разделен на три части, что облегчает техническое обслуживание и замену компонентов, сокращает время простоя, одновременно повышая общую прочность и герметичность клапана.
Материал дуплексной стали: Основной корпус изготовлен из дуплексной стали (например, S31803, S32750 и т. д.), которая обладает высокой прочностью и хорошей коррозионной стойкостью, способна противостоять эрозии от различных химических сред и продлевает срок службы клапана.
Конструкция цапфового фланца: уникальная конструкция цапфового фланца обеспечивает большую гибкость и стабильность установки, облегчая установку и обслуживание клапана.
Металлическое уплотнение: конструкция металлического уплотнения подходит для сред с высокой температурой и высоким давлением, обеспечивая превосходные характеристики уплотнения и поддерживая нулевую утечку даже в экстремальных условиях работы.
Пожаробезопасная конструкция: клапан соответствует стандартам API 607 и сохраняет герметичность даже в случае пожара, предотвращая утечку среды и обеспечивая безопасность системы.
Антистатическое устройство: встроенное антистатическое устройство эффективно предотвращает накопление статического электричества, снижая риск возгорания и взрыва и особенно подходит для контроля легковоспламеняющихся и взрывоопасных сред.
Компактный дизайн: небольшой размер и легкий вес, его легко установить и интегрировать в существующие системы, экономя пространство.
Несколько режимов работы: может быть оснащен ручными, пневматическими, электрическими или гидравлическими приводами для обеспечения дистанционного автоматического управления.
Номинальный диаметр: 12x10 дюймов
Класс давления: 2500 фунтов (PN420)
Диапазон температур: от -29 ℃ до +550 ℃ (конкретный диапазон зависит от уплотнительных материалов и условий работы)
Материалы:
Корпус клапана: Дуплексная сталь (S31803, S32750 и т. д.).
Шар: Дуплексная сталь
Шток: Дуплексная сталь
Материал уплотнения: Металлическое уплотнение (нержавеющая сталь, твердый сплав и т. д.).
Тип соединения: фланцевое соединение с цапфой (соответствует стандартам ASME B16.5)
Режим работы: ручной, пневматический, электрический, гидравлический.
Стандарты проектирования: API 6D, ASME B16.34.
Стандарты тестирования: API 598.
Пожаробезопасная конструкция: API 607
Применимые среды: нефть, природный газ, пар, химические среды и т. д.
Нефтяная и газовая промышленность: используется в системах разработки, сбора и обработки нефтяных и газовых месторождений для обеспечения надежной изоляции и контроля сред.
Химическая промышленность: Подходит для систем транспортировки и реакции различных химических сред, предотвращает утечку среды и обеспечивает безопасность производства.
Фармацевтическая промышленность: применяется в трубопроводных системах при фармацевтическом производстве для обеспечения изоляции и чистоты среды в процессе производства лекарств.
Пищевая промышленность и производство напитков: Соответствует требованиям пищевой промышленности и используется в трубопроводных системах для производства продуктов питания и напитков для обеспечения гигиены и безопасности.
HVAC: используется в системах охлаждения, горячего водоснабжения и т. д. для обеспечения эффективной работы системы.
Общее промышленное применение: Подходит для контроля и изоляции таких сред, как вода, нефть и газ.
Высокая надежность: материал из дуплексной стали и трехкомпонентная конструкция обеспечивают стабильную работу клапана в условиях высокого давления и высоких температур, сокращая частоту технического обслуживания и время простоя.
Высокая безопасность: пожаробезопасная и антистатическая конструкция, а также надежная герметизация эффективно снижают риски утечек и защищают безопасность персонала и оборудования.
Автоматизированная работа: несколько вариантов привода обеспечивают дистанционное управление и автоматическую работу, повышая гибкость и безопасность системы.
Простота установки и обслуживания: цапфовое фланцевое соединение упрощает процесс установки и облегчает обслуживание и ремонт.
Широкая применимость: множество вариантов материалов и широкий диапазон диапазонов давления и температуры позволяют адаптировать его к различным сложным условиям работы и характеристикам среды.
Трехкомпонентная конструкция: корпус клапана разделен на три части, что облегчает техническое обслуживание и замену компонентов, сокращает время простоя, одновременно повышая общую прочность и герметичность клапана.
Материал дуплексной стали: Основной корпус изготовлен из дуплексной стали (например, S31803, S32750 и т. д.), которая обладает высокой прочностью и хорошей коррозионной стойкостью, способна противостоять эрозии от различных химических сред и продлевает срок службы клапана.
Конструкция цапфового фланца: уникальная конструкция цапфового фланца обеспечивает большую гибкость и стабильность установки, облегчая установку и обслуживание клапана.
Металлическое уплотнение: конструкция металлического уплотнения подходит для сред с высокой температурой и высоким давлением, обеспечивая превосходные характеристики уплотнения и поддерживая нулевую утечку даже в экстремальных условиях работы.
Пожаробезопасная конструкция: клапан соответствует стандартам API 607 и сохраняет герметичность даже в случае пожара, предотвращая утечку среды и обеспечивая безопасность системы.
Антистатическое устройство: встроенное антистатическое устройство эффективно предотвращает накопление статического электричества, снижая риск возгорания и взрыва и особенно подходит для контроля легковоспламеняющихся и взрывоопасных сред.
Компактный дизайн: небольшой размер и легкий вес, его легко установить и интегрировать в существующие системы, экономя пространство.
Несколько режимов работы: может быть оснащен ручными, пневматическими, электрическими или гидравлическими приводами для обеспечения дистанционного автоматического управления.
Номинальный диаметр: 12x10 дюймов
Класс давления: 2500 фунтов (PN420)
Диапазон температур: от -29 ℃ до +550 ℃ (конкретный диапазон зависит от уплотнительных материалов и условий работы)
Материалы:
Корпус клапана: Дуплексная сталь (S31803, S32750 и т. д.).
Шар: Дуплексная сталь
Шток: Дуплексная сталь
Материал уплотнения: Металлическое уплотнение (нержавеющая сталь, твердый сплав и т. д.).
Тип соединения: фланцевое соединение с цапфой (соответствует стандартам ASME B16.5)
Режим работы: ручной, пневматический, электрический, гидравлический.
Стандарты проектирования: API 6D, ASME B16.34.
Стандарты тестирования: API 598.
Пожаробезопасная конструкция: API 607
Применимые среды: нефть, природный газ, пар, химические среды и т. д.
Нефтяная и газовая промышленность: используется в системах разработки, сбора и обработки нефтяных и газовых месторождений для обеспечения надежной изоляции и контроля сред.
Химическая промышленность: Подходит для систем транспортировки и реакции различных химических сред, предотвращает утечку среды и обеспечивает безопасность производства.
Фармацевтическая промышленность: применяется в трубопроводных системах при фармацевтическом производстве для обеспечения изоляции и чистоты среды в процессе производства лекарств.
Пищевая промышленность и производство напитков: Соответствует требованиям пищевой промышленности и используется в трубопроводных системах для производства продуктов питания и напитков для обеспечения гигиены и безопасности.
HVAC: используется в системах охлаждения, горячего водоснабжения и т. д. для обеспечения эффективной работы системы.
Общее промышленное применение: Подходит для контроля и изоляции таких сред, как вода, нефть и газ.
Высокая надежность: материал из дуплексной стали и трехкомпонентная конструкция обеспечивают стабильную работу клапана в условиях высокого давления и высоких температур, сокращая частоту технического обслуживания и время простоя.
Высокая безопасность: пожаробезопасная и антистатическая конструкция, а также надежная герметизация эффективно снижают риски утечек и защищают безопасность персонала и оборудования.
Автоматизированная работа: несколько вариантов привода обеспечивают дистанционное управление и автоматическую работу, повышая гибкость и безопасность системы.
Простота установки и обслуживания: цапфовое фланцевое соединение упрощает процесс установки и облегчает обслуживание и ремонт.
Широкая применимость: множество вариантов материалов и широкий диапазон диапазонов давления и температуры позволяют адаптировать его к различным сложным условиям работы и характеристикам среды.
